首   页 关于我们 产品世界 技术资料 应用领域 联系我们

此页面上的内容需要较新版本的 Adobe Flash Player。

获取 Adobe Flash Player

       
JYMEE
       精英机电一直致力于自润滑轴承和新材料的研究开发与新产品新领域的推广与应用,公司具备完善的系统研发能力,检验测试能力,以及完备高效的服务。
          推力平面轴承系列
AXK系列产品
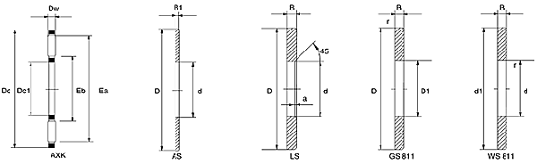
轴径 推力滚针和保持架组件 推力轴承垫圈 尺寸 滚道尺寸 基本额定负荷
KN
极限转速
r/min
型号

重量
g

mm 轴承垫圈代号 重量
g
轴圈代号 座圈代号 推力轴承垫圈代号 重量
g
Dcl
d
D1 Dc
D
d1 Dw B1 B a
r min
Eb Ea 动C 静CO
4 AXK0414TN 0.7 AS0414 1 4 14 2 1 5 13 4.4 8 21000
5 AXK0515TN 0.8 AS0515 1 5 15 2 1 6 14 4.75 9.2 21000
6 AXK0619TN 1 AS0619 2 LS0619 4 6 19 2 1 2.75 0.3 7 18 6.8 15.5 19000
8 AXK0821TN 2 AS0821 2 LS0821 4 8 21 2 1 2.75 0.3 9 20 7.8 19.4 18000
10 AXK1024 3 AS1024 3 LS1024 7 10 24 2 1 2.75 0.3 12 23 9.2 25.5 17000
12 AXK1226 3 AS1226 3 LS1226 8 12 26 2 1 2.75 0.3 14 25 9.9 29 15000
15 AXK1528 4 AS1528 3 LS1528 GS81102 WS81102 9 15 16 28 28 2 1 2.75 0.3 17 27 11.3 36 13000
17 AXK1730 4 AS1730 4 LS1730 GS81103 WS81103 9 17 18 30 30 2 1 2.75 0.3 19 29 11.9 39.5 12000
20 AXK2035 5 AS2035 5 LS2035 GS81104 WS81104 13 20 21 35 35 2 1 2.75 0.3 22 34 13.1 46.5 10000
25 AXK2542 7 AS2542 7 LS2542 GS81105 WS81105 19 25 26 42 42 2 1 3 0.6 29 41 14.7 58 8500
30 AXK3047 8 AS3047 8 LS3047 GS81106 WS81106 22 30 32 47 47 2 1 3 0.6 34 46 16.3 70 7500
35 AXK3552 10 AS3552 9 LS3552 GS81107 WS81107 29 35 37 52 52 2 1 3.5 0.6 39 51 17.8 81 6500
40 AXK4060 16 AS4060 12 LS4060 GS81108 WS81108 40 40 42 60 60 3 1 3.5 0.6 45 58 28 114 6000
45 AXK4565 18 AS4565 13 LS4565 GS81109 WS81109 50 45 47 65 65 3 1 4 0.6 50 63 30 128 5000
50 AXK5070 20 AS5070 14 LS5070 GS81110 WS81110 55 50 52 70 70 3 1 4 0.6 55 68 32 143 4800
55 AXK5578 28 AS5578 18 LS5578 GS81111 WS81111 88 55 57 78 78 3 1 5 0.6 60 76 38 186 4300
60 AXK6085 33 AS6085 22 LS6085 GS81112 WS81112 97 60 62 85 85 3 1 4.75 1 65 83 44.5 234 4000
65 AXK6590 35 AS6590 24 LS6590 GS81113 WS81113 115 65 67 90 90 3 1 5.25 1 70 88 46.5 255 3700
70 AXK7095 60 AS7095 25 LS7095 GS81114 WS81114 123 70 72 95 95 4 1 5.25 1 74 93 54 255 3500
75 AXK75100 61 AS75100 27 LS75100 GS81115 WS81115 142 75 77 100 100 4 1 5.75 1 79 98 55 265 3300
80 AXK80105 63 AS80105 28 LS80105 GS81116 WS81116 151 80 82 105 105 4 1 5.75 1 84 103 56 280 3100
85 AXK85110 67 AS85100 29 LS85110 GS81117 WS81117 159 85 87 110 110 4 1 5.75 1 89 108 58 290 3000
90 AXK90120 86 AS90120 39 LS90120 GS81118 WS81118 234 90 92 120 120 4 1 6.5 1 94 118 73 405 2700
100 AXK100135 104 AS100135 50 LS100135 GS81120 WS81120 350 100 102 135 135 4 1 7 1 105 133 91 560 2500
110 AXK110145 122 AS110145 55 LS110145 GS81122 WS81122 385 110 112 145 145 4 1 7 1 115 143 97 620 2300
120 AXK120155 131 AS120155 59 LS120155 GS81124 WS81124 415 120 122 155 155 4 1 7 1 125 153 102 680 2100
130 AXK130170 205 AS130170 65 LS130170 GS81126 WS81126 663 130 132 170 170 5 1 9 1 136 167 133 840 1900
140 AXK140180 219 AS140180 79 LS140180 GS81128 WS81128 749 140 142 180 178 5 1 9.5 1 146 177 138 900 1800
150 AXK150190 232 AS150190 84 LS150190 GS81130 WS81130 796 150 152 190 188 5 1 9.5 1 156 187 143 960 1700
160 AXK160200 246 AS160200 89 LS160200 GS81132 WS81132 842 160 162 200 198 5 1 9.5 1 166 197 145 1020 1600
返回顶端
          Copyright © 2008 Dorna. All rights reserved. 嘉善精英机电有限公司 版权所有       浙ICP备09105299号                整个推广: 形动品牌整合顾问